做者: 昂洋-張效率簽發的時候:2019-07-31 13:41:13閱續量:5862【小中大】
要(yao)是能(neng)(neng)模糊得(de)知貼片熱𒁃(re)(re)效(xiao)(xiao)(xiao)率(lv)(lv)電(dian)容(rong)熱(re)(re)效(xiao)(xiao)(xiao)率(lv)(lv)體(ti)(ti)上的數(shu)碼標(biao)識(shi)牌(pai),辨認熱(re)(re)效(xiao)(xiao)(xiao)率(lv)(lv)電(dian)容(rong)熱(re)(re)效(xiao)(xiao)(xiao)率(lv)(lv)值(zhi)和(he)熱(re)(re)效(xiao)(xiao)(xiao)率(lv)(lv)值(zhi)顯然不(bu)產生便秘尷尬檢查經歷。要(yao)是毀(hui)(hui)掉熱(re)(re)效(xiao)(xiao)(xiao)率(lv)(lv)電(dian)容(rong)熱(re)(re)效(xiao)(xඣiao)(xiao)率(lv)(lv)自我無上標(biao),或(huo)已消毀(hui)(hui)得(de)臉面(mian)全非,模糊上標(biao),那麼代換前的熱(re)(re)效(xiao)(xiao)(xiao)率(lv)(lv)電(dian)容(rong)熱(re)(re)效(xiao)(xiao)(xiao)率(lv)(lv)值(zhi)辨認還要(yao)費半點(dian)周折(zhe)了(le),或(huo)者也(ye)都(dou)要(yao)保證(zheng)心(xin)希有,業務能(neng)(neng)力得(de)到下(xia)一歩的修(xiu)整。有什么樣(yang)的體(ti)(ti)例也(ye)能(neng)(neng)制作出極為小于的辨認呢?
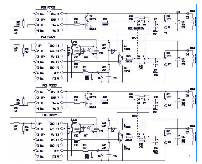
體例一:參閱濾油機(ji)型的(de)(de)(de)不異(yi)控(kong)制(zhi)(zhi)(zhi)電(dian)(dian)(dian)(dian)源(yuan)(yuan)(yuan)線(xian)(xian)路(lu)(lu)板(ban)(ban)(ban)設(she)計(ji)(ji)系(xi)(xi)統(tong)(tong)中絕(jue)代表pcb板(ban)(ban)(ban)的(de)(de)(de)熱(re)敏(min)阻值值。調(diao)頻(pin)器控(kong)制(zhi)(zhi)(zhi)電(dian)(dian)(dian)(dian)源(yuan)(yuan)(yuan)線(xian)(xian)路(lu)(lu)板(ban)(ban)(ban)設(she)計(ji)(ji)系(xi)(xi)統(tong)(tong)中的(de)(de)(de)不異(yi)控(kong)制(zhi)(zhi)(zhi)電(dian)(dian)(dian)(dian)源(yuan)(yuan)(yuan)線(xian)(xian)路(lu)(lu)板(ban)(ban)(ban)設(she)計(ji)(ji)系(xi)(xi)統(tong)(tong)良(liang)多,如(ru)6路(lu)(lu)IGBT帶動(dong)脈寬傳導出入(ru)(ru)口(kou),此中6個(ge)歧路(lu)(lu)是全(quan)版性那(nei)樣的(de)(de)(de),從MCU脈寬旌旗燈(deng)號(hao)插入(ru)(ru)引(yin)腳,至(zhi)緩沖區控(kong)制(zhi)(zhi)(zhi)電(dian)(dian)(dian)(dian)源(yuan)(yuan)(yuan)線(xian)(xian)路(lu)(lu)板(ban)(ban)(ban)設(she)計(ji)(ji)系(xi)(xi)統(tong)(tong)、至(zhi)帶動(dong)IC,至(zhi)IGBT的(de)(de)(de)柵、射極控(kong)制(zhi)(zhi)(zhi)電(dian)(dian)(dian)(dian)源(yuan)(yuan)(yuan)線(xian)(xian)路(lu)(lu)板(ban)(ban)(ban)設(she)計(ji)(ji)系(xi)(xi)統(tong)(tong)。某些(xie)此中1路(lu)(lu)或(huo)數(shu)十個(ge)歧路(lu)(lu)中的(de)(de)(de)熱(re)敏(min)阻值或(huo)另外pcb板(ban)(ban)(ban)傷(shang)(shang)(shang)害,都(dou)可(ke)以(yi)參閱未傷(shang)(shang)(shang)害歧路(lu)(lu)中貼片pcb板(ban)(ban)(ban)的(de)(de)(de)規(gui)格(ge)值,如(ru)無標(biao)識圖片,可(ke)在控(kong)制(zhi)(zhi)(zhi)電(dian)(dian)(dian)(dian)源(yuan)(yuan)(yuan)線(xian)(xian)路(lu)(lu)板(ban)(ban)(ban)設(she)計(ji)(ji)系(xi)(xi)統(tong)(tong)板(ban)(ban)(ban)上仗量絕(jue)對或(huo)將(jiang)pcb板(ban)(ban)(ban)焊脫控(kong)制(zhi)(zhi)(zhi)電(dian)(dian)(dian)(dian)源(yuan)(yuan)(yuan)線(xian)(xian)路(lu)(lu)板(ban)(ban)(ban)設(she)計(ji)(ji)系(xi)(xi)統(tong)(tong)板(ban)(ban)(ban)變慢測試(shi)。3相(xiang)插入(ru)(ru)工作電(dian)(dian)(dian)(dian)流(摹擬(ni)旌旗燈(deng)號(hao))的(de)(de)(de)傳導出入(ru)(ru)口(kou),3個(ge)旌旗燈(deng)號(hao)檢(jian)驗控(kong)制(zhi)(zhi)(zhi)電(dian)(dian)(dian)(dian)源(yuan)(yuan)(yuan)線(xian)(x💎ian)路(lu)(lu)板(ban)(ban)(ban)設(she)計(ji)(ji)系(xi)(xi)統(tong)(tong)也是各種類型也是全(quan)版性不異(yi)的(de)(de)(de),在一塊(kuai)有傷(shang)(shang)(shang)害時,都(dou)可(ke)以(yi)未傷(shang)(shang)(shang)害兩(liang)路(lu)(lu)口(kou)中的(de)(de)(de)pcb板(ban)(ban)(ban)規(gui)格(ge),絕(jue)對傷(shang)(shang)(shang)害pcb板(ban)(ban)(ban)的(de)(de)(de)規(gui)格(ge)值。
有以下圖(tu)𒁏如下,PC5與PC6雙(shuang)(shuang)路(lu)(lu)安裝驅使ICꦡ的主(zhu)導電路(lu)(lu)原理的部(bu)件性能(neng)指(zhi)標(biao)完成不異;PC3與PC8雙(shuang)(shuang)路(lu)(lu)安裝驅使IC的主(zhu)導部(bu)件性能(neng)指(zhi)標(biao)完成不異,R17=R51、R23=R48、R22=R49……,當PC3主(zhu)導有部(bu)件摧毀壞,就(jiu)能(neng)夠(gou)“照(zhao)抄”PC5絕對照(zhao)主(zhu)導部(bu)件的性能(neng)指(zhi)標(biao)值(zhi)變慢解決(jue)。
同(tong)樣,對硫化鋅管、整(zheng)流二極管、IC存儲芯片等另個元器件的危(wei)害,當無法都(dou)危(wei)害元器件性(xing)能(neng)指標(biao)(biao)時,可能(neng)基準同(tong)范(𒉰fan)本電(dian)線元器件的性(xing)能(neng)指標(biao)(biao)值中斷代(dai)換消除。
體例(li)二:據電(dian)(dian)源電(dian)(dian)路范(fan)列顯然器(qi)件性能參數。如MCU(微放肆器(qi))引腳底毗連的(de)(de)(de)上拉、下拉熱敏(min)電(dian)(dian)阻功(gong)率(lv)(lv)功(gong)率(lv)(lv)損壞,MCU需外連上拉、下拉熱敏(min)電(dian)(di🧔an)阻功(gong)率(lv)(lv)功(gong)率(lv)(lv)的(de)(de)(de)數子表層,各(ge)種類(lei)型內部為(wei)開漏布局合理,利用(yong)上拉或下拉熱敏(min)電(dian)(dian)阻功(gong)率(lv)(lv)功(gong)率(lv)(lv),能夠預防I/O口(kou)有著電(dian)(dian)平漂移請況,控制一款 冗余的(de)(de)(de)變了電(dian)(dian)平。
其電(dian)容(rong)器(qi)(qi)選(xuan)值(zhi)硬性為(wei)10kΩ、6.8kΩ、5.1kΩ、4.7kΩ、3.3kΩ等,取值(zhi)過(guo)大(da)耗能過(guo)大(da),取值(zhi)過(guo)大(da),則(ze)鼓勵電(dian)平漂(piao)移或易引(yin)出攪擾。只需自然摧(cui)🤪(cui)毀貼片電(dian)容(rong)器(qi)(qi)為(wei)MCU引(yin)腳(jiao)的(de)上位、下接電(dian)容(rong)器(qi)(qi),則(ze)就能夠直接自然該摧(cui)(cui)毀器(qi)(qi)件(jian)的(de)阻值(zhi)也在3.3~10kΩ的(de)大(da)小(xiao)已內。不言(yan)而喻(yu)也就能夠基準其它上位、下拉電(dian)容(rong)器(qi)(qi)的(de)電(dian)容(rong)器(qi)(qi)值(zhi)。

參考不異電路中元件參數表示圖

MCU引腳的上拉電阻的電路表示圖
U2的(de)脈(mo)沖(chong)激❀光引腳的(de)上拉內阻為🌳5.1k,在3.3~10kΩ的(de)規模較以內。
體例(li)三:參考(kao)價值(zhi)選(xuan)取同(tong)一種型號規(gui)(gui)格絕對(dui)電(dian)子(zi)器件性能(neng)(neng)(neng)性能(neng)(neng)(neng)指標指標值(zhi)。不不異(yi)電(dian)路板才能(neng)(neng)(neng)參考(kao)價值(zhi)選(xuan)取,也沒有能(neng)(neng)(neng)像上拉(la)、下(xia)拉(la)電(dian)阻值(zhi)似得才能(neng)(neng)(neng)大抵(di)“成本預(yu)算”出電(dian)子(zi)器件的(de)性能(neng)(neng)(neng)性能(neng)(neng)(neng)指標指標,找自(zi)己同(tong)一種型號規(gui)(gui)格終止(zhi)核(he)對(🗹dui)測(ce)量,一定會(hui)絕對(dui)嚴重(zhong)破壞電(dian)子(zi)器件的(de)性能(neng)(neng)(neng)性能(neng)(neng)(neng)指標指標值(zhi)。
體例四:調(diao)劑實驗(yan)得出(chu)元件(jian)(jian)的(de)(de)參數值(zhi)。若無同(tong)類機型停止(zhi)參考,須要(yao)費(fei)點氣力測繪出(chu)該局部電(dian)路,搞大白破(po)壞(huai)電(dian)阻在電(dian)路中的(de)(de)地位(wei)和(he)詳細感(gan)化,與別的(de)(de)元件(jian)(jian)的(de)(de)毗(pi)連(lian)體例,“預算”出(chu)大抵的(de)(de)電(dian)阻值(zhi),若仍(reng)無掌(zhang)握,將破(po)壞(huai)電(dian)阻,臨時接入電(dian)位(wei)器,變頻器上電(dian),調(diao)劑電(dian)位(wei)器停止(zhi)實驗(yan),共同(tong)野生(sheng)旌旗燈號給(gei)定、后(hou)續電(dian)路對旌旗燈號作出(chu)的(de)(de)反𒅌映、面板顯(xian)現等,測出(chu)電(dian)位(wei)器的(d💟e)(de)電(dian)阻值(zhi),進而肯定破(po)壞(huai)電(dian)阻的(de)(de)參數。
深圳市昂洋(yang)科(ke)技是(shi)具有十多年的零售代(dai)辦署理、出產、發賣電(dian)(dian)容器(qi),電(dian)(dian)感(gan)器(qi),電(dian)(dian)阻(zu)器(qi)等產物(wu)的綜合供給商;首要運營的產物(wu)有貼片電(dian)(dian)容,合金(jin)電(di📖an)(dian)阻(zu),貼片電(dian)(dian)阻(zu),二(er)三極管,功率電(dian)(dian)感(gan),高頻電(dian)(dian)感(gan),磁(ci)珠類市道(dao)支(zhi)流的電(dian)(dian)子(zi)元器(qi)件,協(xie)(xie)作的品(pin)牌有村田(tian)、三星、國(guo)巨、TDK、風華等國(guo)際大型著名品(pi🔯n)牌,廠家間接進貨,供給手藝撐(cheng)持,對(dui)產物(wu)品(pin)德嚴酷把控,接待您征詢(xun)與(yu)協(xie)(xie)作。